Доставка зі складу 5-10 днів.

Важіль змішувача, розташований у верхній частині, полегшує роботу та планування кухні з двома типами струменя: легке перемикання з ламінарного струменя, особливо рекомендованого для компактних раковин і раковин Кольоровий варіант ідеально підходить для раковин і чаш SILGRANI. Кут повороту виливу 180° Необхідний отвір змішувача 35 мм Головка з керамічними пластинами Гнучкі з’єднувальні труби довжиною 550 мм і гайка ⅜'' забезпечують винятково швидку та безпечну установку Запатентований регулятор потоку зменшує утворення накипу на головці крана Пластина жорсткості підвищує стабільність крана при встановленні з мийками з нержавіючої сталі Сертифікат LG A Планується Сертифікат DVGW (Німецька асоціація газу та економіки) Вода)

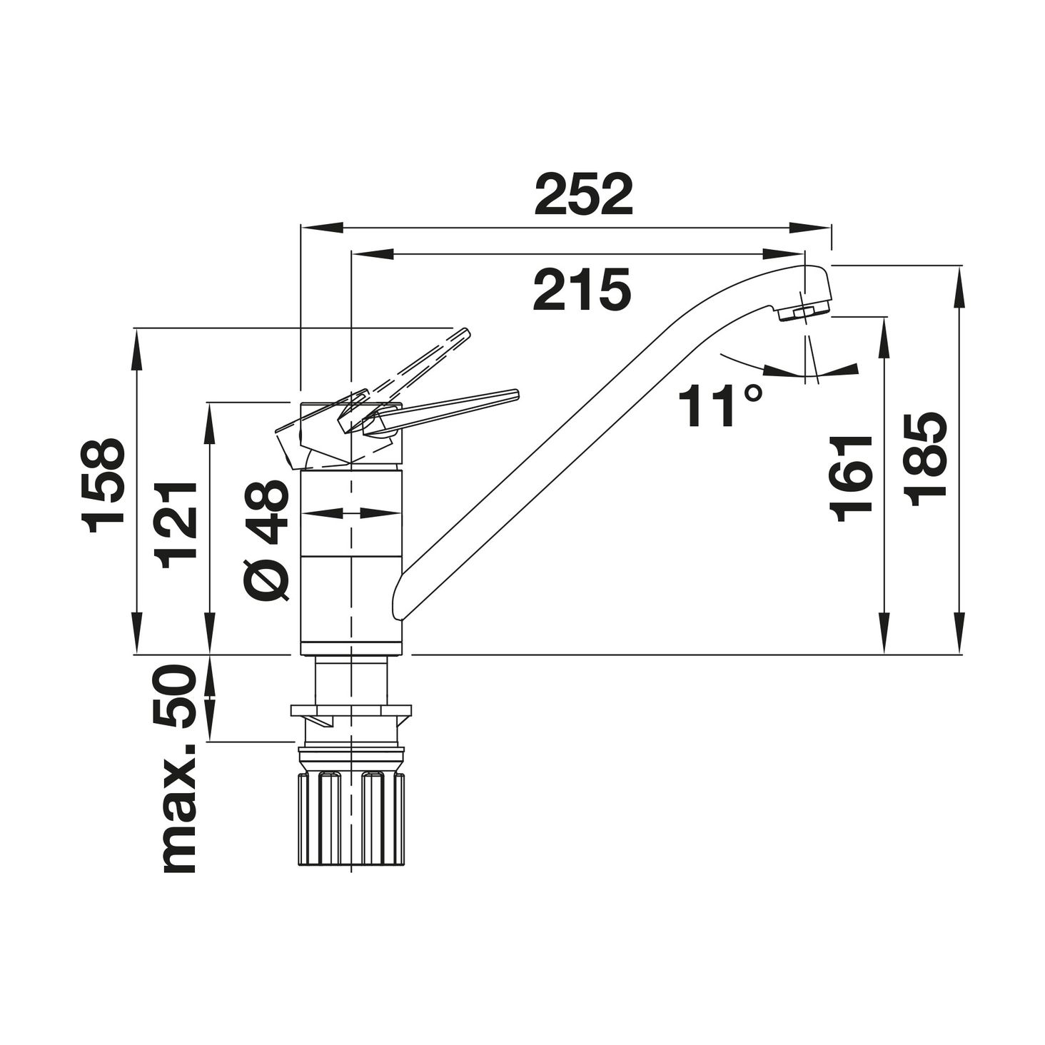
Технічне креслення



Використовується Wega II


| Основні | |
|---|---|
| Виробник | Blanco |
| Стан | Новий |
| Колір | Білий |
| Користувальницькі характеристики | |
| Гарантійний термін (міс) | 12 |
| Додаткова інформація | Wyciągana wylewka |
| Заканчувати | Metal |
| Мoдель | Wega II |
| Марка | Blanco |
| Матеріал | Stalowe |
| Тип | Jednouchwytowe |
| Встановлення | Stojące |